岡本無線電機の通販サイト | E-JUNCTION(イージャンクション)

  • お見積り依頼
  • お問い合わせ

カテゴリーカテゴリーから探す

5,000円(税込5,500円)以上のご購入で送料無料!5,000円(税込5,500円)以上のご購入で送料無料!

日之出電機製作所 半導体保護用速断ヒューズ 400VSK60M8

日之出電機製作所 半導体保護用速断ヒューズ 400VSK60M8

E-Junction価格 : 個別見積

  • 注目
  • RoHS10対応

標準納期:1ヶ月

最低注文数:12    注文単位数:12 (単位:個)

メーカー:日之出電機製作所(HINODE)

メーカー品番 :400VSK60M8

メーカーサイトへ

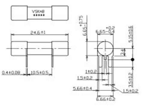
●定格電圧・遮断容量:AC400V-10kA / DC400V-10kA (L/R=1ms)
●最小遮断電流:DC300V:360A(定格 6 倍),L/R=1ms DC400V:1kA(定格 16 倍以上),L/R=1ms

●定格電流(A):60A
●溶断 I2T(A2S):1800
●全遮断 I2T(A2S)at DC400-10KA:3300 
●温度上昇(⊿t)※:⊿T54.7℃(30A 通電時)
●電力損失(定格電流比 50%負荷時):1.9w(30A)
●質量(g) :2.8
※実効電流値は定格電流の50%以下での使用を検討ください。使用時のヒューズ温度は 120℃以下となるようにしてください、高温になると半田による食われ現象により端子が溶解する場合があります。

サーボドライバ、DCDCコンバータに最適なVSKシリーズに高容量60A仕様を追加いたしました。
小型形状ながら、定格60Aを実現。
実装面積の小型化、製品のダウンサイジングに有効です。

数量

5,000円(税込5,500円)以上の購入で送料無料です。
5,000円(税込5,500円)未満の場合、一律1,000円(税込1,100円)の送料をご負担頂きます。

(0 個) 小計: ¥0(税込:0)