JavaScript を有効にしてご利用下さい.
岡本無線電機の通販サイト | E-JUNCTION(イージャンクション)
カテゴリーから探す
メーカーから探す
初めてご利用になる方へ
お支払いについて
よくあるお問い合わせ
産業用ロボット向け ソリューション
同軸ソリューション
通信技術ソリューション
電源デバイスソリューション
システムソリューション
ものづくりソリューション
生産設備ソリューション
かんたん30秒!!【無料会員登録】お問い合わせはコチラのページから
メーカー標準価格 :個別見積
☆ お気に入りに追加
標準納期:納期確認後見積り回答させて頂きます
最低注文数:1 注文単位数:1 (単位:個)
メーカー:IDEC(アイデック)
メーカー品番 :SE9Z-HS2-BK01
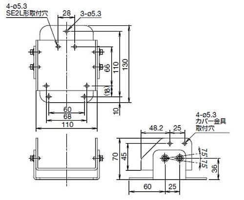
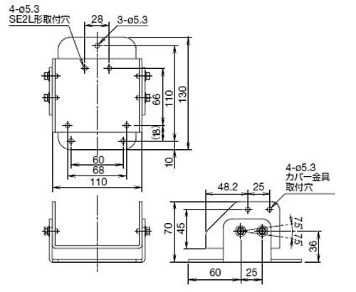
SE2L 形 セーフティレーザスキャナ用アクセサリ 本体の垂直方向の取付け角度を変更できます。 上下方向に合計15°(各7.5°ずつ)調整可能。 ・材 質:鉄 ・付属品:ボルト(M5×12)4本 SE2L 形 セーフティレーザスキャナ本体機能 ■存在検知 危険場所に取り残された人や、機械に接近する人の安全を確保します。 ■侵入検知 ワークだけを通過させ、人の侵入を検知することが可能です。 ■衝突防止 衝突による人的災害や急停止による荷崩れを防止します。 ■ユーザビリティ ユーザインターフェイスに配慮した設定や、保守メンテナンスを支援する多彩な機能を搭載しています。 ※写真はイメージです。 ※在庫切れの場合は別途御相談させて頂きます。
単価 ¥
5,000円(税込5,500円)以上の購入で送料無料です。 5,000円(税込5,500円)未満の場合、一律1,000円(税込1,100円)の送料をご負担頂きます。
(0 個) 小計: ¥0(税込:0)
防護距離5m 最大4倍のエリアを監視可能 ・存在検知も侵入検知も同じセンサ デュアルプロテクション機能でコストも半分! ・マスタースレーブ接続で4倍のエリア RS-485で最大4台を接続可能。4倍のエリアを監視! ・協働ロボットに最適 デュアルプロテクション機能で低速領域も実現! ・大型のワークも通過 ミューティング機能&オーバーライド機能。
戻る