岡本無線電機の通販サイト | E-JUNCTION(イージャンクション)

  • お見積り依頼
  • お問い合わせ

カテゴリーカテゴリーから探す

5,000円(税込5,500円)以上のご購入で送料無料!5,000円(税込5,500円)以上のご購入で送料無料!

URD(ユー・アール・ディー) 精密計測用の中型・高精度交流電流センサ CTL-12-S60-7Z

URD(ユー・アール・ディー) 精密計測用の中型・高精度交流電流センサ CTL-12-S60-7Z

E-Junction価格 : 3,600円(税込3,960 円)

  • 注目

標準納期:1週間

最低注文数:1    注文単位数:1 (単位:個)

メーカー:URD(ユーアールディー)

メーカー品番 :CTL-12-S60-7Z

メーカーサイトへ

〔特 長〕
・貫通穴径φ12の精密計測用中型標準品(CTL-12-S30-10Z)と、寸法・形状完全互換品。
・コア断面積を増やし1mA ~ 100Aのワイドレンジをカバーします。
・720:1の変流比で、二次電流が小さく直接電子回路へのインターフェースが可能。
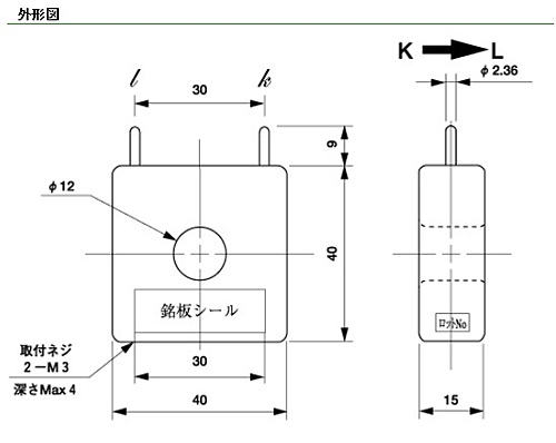
・出力端子は(φ2.36×9L)の丸ピンで堅牢な構造。リード線ハンダ付、または、別売コネクタセットいずれにも対応可。
・パネル取付用には、別売取付金具(HLD-12)が用意されています。

数量

  • 単価 ¥

    3,600円(税込3,960 円)

5,000円(税込5,500円)以上の購入で送料無料です。
5,000円(税込5,500円)未満の場合、一律1,000円(税込1,100円)の送料をご負担頂きます。

(0 個) 小計: ¥0(税込:0)

仕様詳細

URD(ユー・アール・ディー) 精密計測用の中型・高精度交流電流センサ CTL-12-S60-7Z
画像を拡大する

備考
(1)出力電圧は、貫通電流/負荷抵抗/結合係数(K)等のパラメーターにより変化します。各特性図をよく吟味して使用条件を設定してください。
(2)結合係数(K)値が0.9以下での使用は製品個体差が出やすい領域となるため、充分なマージンを持ってご使用ください。
(3)通電中の二次側開放は高電圧が発生する場合があり危険ですし、故障の原因になります。

外形図

URD(ユー・アール・ディー) 精密計測用の中型・高精度交流電流センサ CTL-12-S60-7Z
画像を拡大する

出力電圧特性

URD(ユー・アール・ディー) 精密計測用の中型・高精度交流電流センサ CTL-12-S60-7Z
画像を拡大する