JavaScript を有効にしてご利用下さい.
岡本無線電機の通販サイト | E-JUNCTION(イージャンクション)
カテゴリーから探す
メーカーから探す
初めてご利用になる方へ
お支払いについて
よくあるお問い合わせ
産業用ロボット向け ソリューション
同軸ソリューション
通信技術ソリューション
電源デバイスソリューション
システムソリューション
ものづくりソリューション
生産設備ソリューション
かんたん30秒!!【無料会員登録】お問い合わせはコチラのページから
メーカー標準価格 :個別見積
☆ お気に入りに追加
標準納期:1週間
最低注文数:1 注文単位数:1 (単位:個)
メーカー:URD(ユーアールディー)
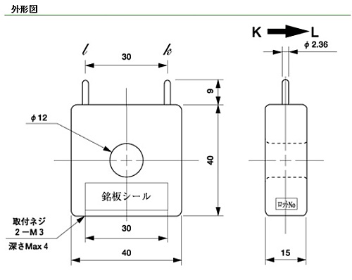
メーカー品番 :CTL-12-S30-10Z
〔特 長〕・貫通穴径φ12の精密計測用中型標準センサ。・高透磁率パーマロイコア採用で、1mA ~ 100Aのワイドレンジをカバー。・1000:1の高変流比で、二次電流が小さく直接電子回路へのインターフェースが可能。・出力端子は(φ2.36×9ℓ)の丸ピンで堅牢な構造。リード線ハンダ付、または、別売コネクタセットいずれにも対応可。・パネル取付用には、別売取付金具(HLD-12)が用意されています。
単価 ¥
5,000円(税込5,500円)以上の購入で送料無料です。 5,000円(税込5,500円)未満の場合、一律1,000円(税込1,100円)の送料をご負担頂きます。
(0 個) 小計: ¥0(税込:0)
備考 (1)出力電圧は、貫通電流/負荷抵抗/結合係数(K)等のパラメーターにより変化します。各特性図をよく吟味して使用条件を設定してください。 (2)結合係数(K)値が0.9以下での使用は製品個体差が出やすい領域となるため、充分なマージンを持ってご使用ください。 (3)通電中の二次側開放は高電圧が発生する場合があり危険ですし、故障の原因になります。
戻る